- Покупка в лизинг
- Доставка и оплата
Газовые котлы, блочно-модульные котельные и прочее отопительное оборудование производства АО «Ирбис» вы можете приобрести в лизинг.
«Завод котельного оборудования «Ирбис» работает с клиентами по всей России и сотрудничает с ключевыми лизинговыми компаниями страны:
Более подробную информацию о приобретении котлов и котельных в лизинг можно получить по ссылке и бесплатному телефону 8-800-511-10-44.
АО «Ирбис» осуществляет доставку продукции в Липецк, Елец, Грязи, Лебедянь, Данков и другие населенные пункты Липецкой области, а также по всей России и в страны СНГ. Возможна доставка как автомобильным, так и железнодорожным транспортом.
Рассчитать стоимость и сроки доставки груза можно на сайтах наших транспортных партнеров:
Возможен бесплатный самовывоз с территории предприятия. Уточнить, готов ли товар к отгрузке, вы можете по телефону 8-800-511-10-44. Помните, на территории АО «Ирбис» работает пропускная система. Для оформления пропуска необходимо иметь с собой паспорт или водительские права.
Оплата заказа возможна следующими способами:
Оплата товара по безналичному расчету доступна как юридическим, так и физическим лицам. После подтверждения заказа наши менеджеры отправят вам счет по электронной почте или по факсу.
При оплате наличными в офисе АО «Ирбис» покупателю предоставляются кассовый и товарный чеки.
Газовый котел на 35 кВт в Липецке
Котел «Хопер 35» с автоматикой САБК работает на энергии давления газа. Такое отопительное оборудование используется для отопления жилых и производственных помещений площадью до 350 м2. Автоматика российского производства САБК-М в котлах «Хопер 35» является современной системой безопасности, отличающейся простотой и надежностью работы.
Напольный котел «Хопер 35» с автоматикой САБК-М работает как на природном газе (ГОСТ 5542-78), так и на сжиженном (ГОСТ 20448-90). В качестве теплоносителя используется вода (СНиП II-35076 п.10).
Газовый котел «Хопер 35» с САБК является одной из самых популярных моделей линейки в Липецке и обладает следующими особенностями:
- Доступная цена.
- Высокий коэффициент полезного действия.
- Теплообменник из трехмиллиметровой стали.
- Низкий уровень шума при работе.
- Удобное расположение органов управления под передней панелью.
Купить котел «Хопер 35» с САБК в Липецке очень просто. Для этого вам следует всего лишь позвонить по телефонам, указанным на сайте. Менеджеры завода котельного оборудования «Ирбис» незамедлительно ответят на все возникшие вопросы и оформят заявку на приобретение.
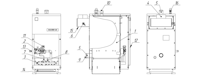
Устройство котла «Хопер 35» с САБК

| 1. Стальной теплообменник 2. Система автоматики безопасности 3. Горелка 4. Патрубок для присоединения к дымоходу 5. Патрубок отопления 6. Датчик тяги 7. Трубка запальника 8. Глазок для розжига |
9. Сливная пробка 10. Рым-болт 11. Регулятор температуры 12. Дверка 13. Патрубок присоединения к газопроводу 14. Решетка для регулировки воздуха 15. Место отбора проб исходящих газов 16. Предохранительный клапан |
Функциональные возможности автоматики САБК
Комплект САБК является энергонезависимой автоматикой, то есть подключение к электрической сети не требуется. Вместо электрической энергии используется энергия давления газа. Автоматика САБК-М обеспечивает безопасную работу котла «Хопер 35», осуществляет регулирование температуры воды на выходе, а также прекращает подачу газа при погасании пламени запальника, отсутствии тяги и при понижении давления газа в сети ниже минимального значения.
Комплект поставки котла «Хопер 35» с САБК
- Котел «Хопер 35» — 1 шт.
- Паспорт и руководство по эксплуатации на котел — 1 шт.
- Предохранительный клапан — 1 шт.
- Паспорт и руководство по эксплуатации на систему автоматики безопасности САБК — 1 шт.
- Жиклер для запальной горелки (сниженный газ) — 1 шт. (по отдельному заказу).
- Инжектор для основной горелки (сниженный газ) — 6 шт. (по отдельному заказу).
- Упаковка — 1 шт.
ООО «ЭкономЛизинг»
АО «Сбербанк Лизинг»
ЗАО «Балтийский лизинг»
«ПЭК»
«Деловые линии»
«Энергия»
Безналичный расчет
Оплата наличными
Техзадание для торгов